Войти
Вход на сайт
Вход через социальную сеть

ИЖ\МР-18

Тема в разделе "Гладкоствольное оружие", создана пользователем СерёгаИж58, 12 янв 2010.

  1. Саня38

    Саня38
    Александр
    Иркутск Активист

    Регистрация:
    14.11.11
    Сообщения:
    206
    Рейтинг:
    4
    Благодарности:
    2
    Адрес:
    Иркутск
    Собаки:
    нет
    Оружие:
    Есть
    Спасибо большое! Думаю точности штангеля хватит ))), канавку мерий до десяток. Сам бы заказал и мозг людям не парил, но так ведь заказ копеечный никто не отправляет реально там боек с пружиной рублей в 30 обходятся по карйней мере на мозае, мин заказ 2 к рублей ))).
     

    Вложения:

    • Scan.jpg
      Scan.jpg
      Размер файла:
      97,5 КБ
      Просмотров:
      1.059
  2. Андрон

    Андрон
    Андрей
    Россия, Новосибирск Ветеран

    Регистрация:
    01.11.07
    Сообщения:
    1.309
    Рейтинг:
    436
    Благодарности:
    202
    Адрес:
    Россия, Новосибирск
    Собаки:
    .....
    Оружие:
    Гладкошершавое
    Давай размеры сравним,, если совпадают, я тебе боек с пружиной вышлю.

    Вечером в гараж за штангелем заеду и померим.
     
    Саня38 нравится это.
  3. Андрон

    Андрон
    Андрей
    Россия, Новосибирск Ветеран

    Регистрация:
    01.11.07
    Сообщения:
    1.309
    Рейтинг:
    436
    Благодарности:
    202
    Адрес:
    Россия, Новосибирск
    Собаки:
    .....
    Оружие:
    Гладкошершавое
    Сори за ожидание,, срочно уехать пришлось........

    Как смог померил:
     

    Вложения:

    • SANY0077_hf.jpg
      SANY0077_hf.jpg
      Размер файла:
      312 КБ
      Просмотров:
      948
    • SANY0086_hf.jpg
      SANY0086_hf.jpg
      Размер файла:
      284,8 КБ
      Просмотров:
      956
    • SANY0097_hf.jpg
      SANY0097_hf.jpg
      Размер файла:
      266 КБ
      Просмотров:
      892
  4. Андрон

    Андрон
    Андрей
    Россия, Новосибирск Ветеран

    Регистрация:
    01.11.07
    Сообщения:
    1.309
    Рейтинг:
    436
    Благодарности:
    202
    Адрес:
    Россия, Новосибирск
    Собаки:
    .....
    Оружие:
    Гладкошершавое
    еще
     

    Вложения:

    • SANY0111_hf.jpg
      SANY0111_hf.jpg
      Размер файла:
      278,4 КБ
      Просмотров:
      859
    • SANY0112_hf.jpg
      SANY0112_hf.jpg
      Размер файла:
      257,1 КБ
      Просмотров:
      905
  5. Андрон

    Андрон
    Андрей
    Россия, Новосибирск Ветеран

    Регистрация:
    01.11.07
    Сообщения:
    1.309
    Рейтинг:
    436
    Благодарности:
    202
    Адрес:
    Россия, Новосибирск
    Собаки:
    .....
    Оружие:
    Гладкошершавое
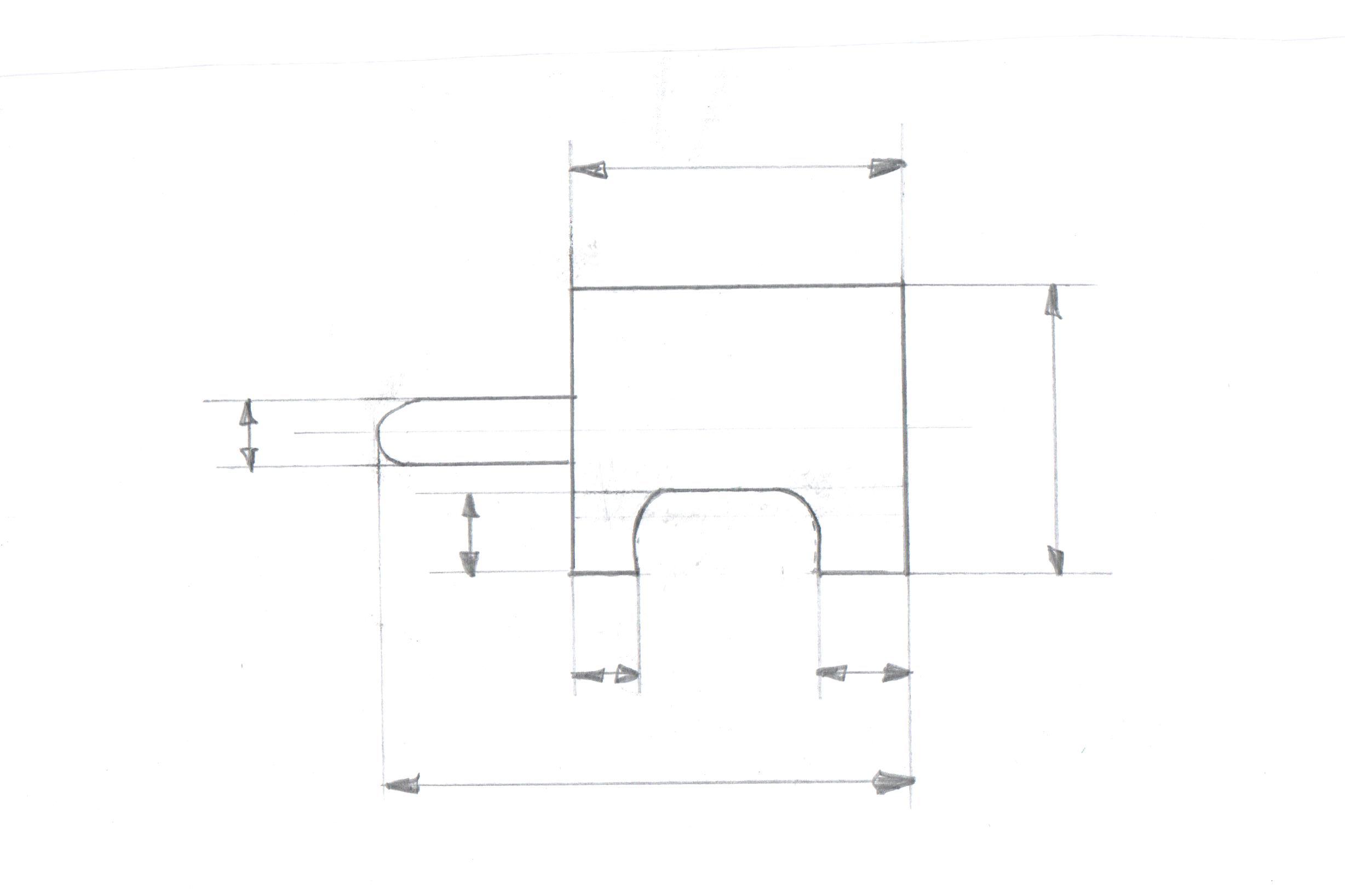
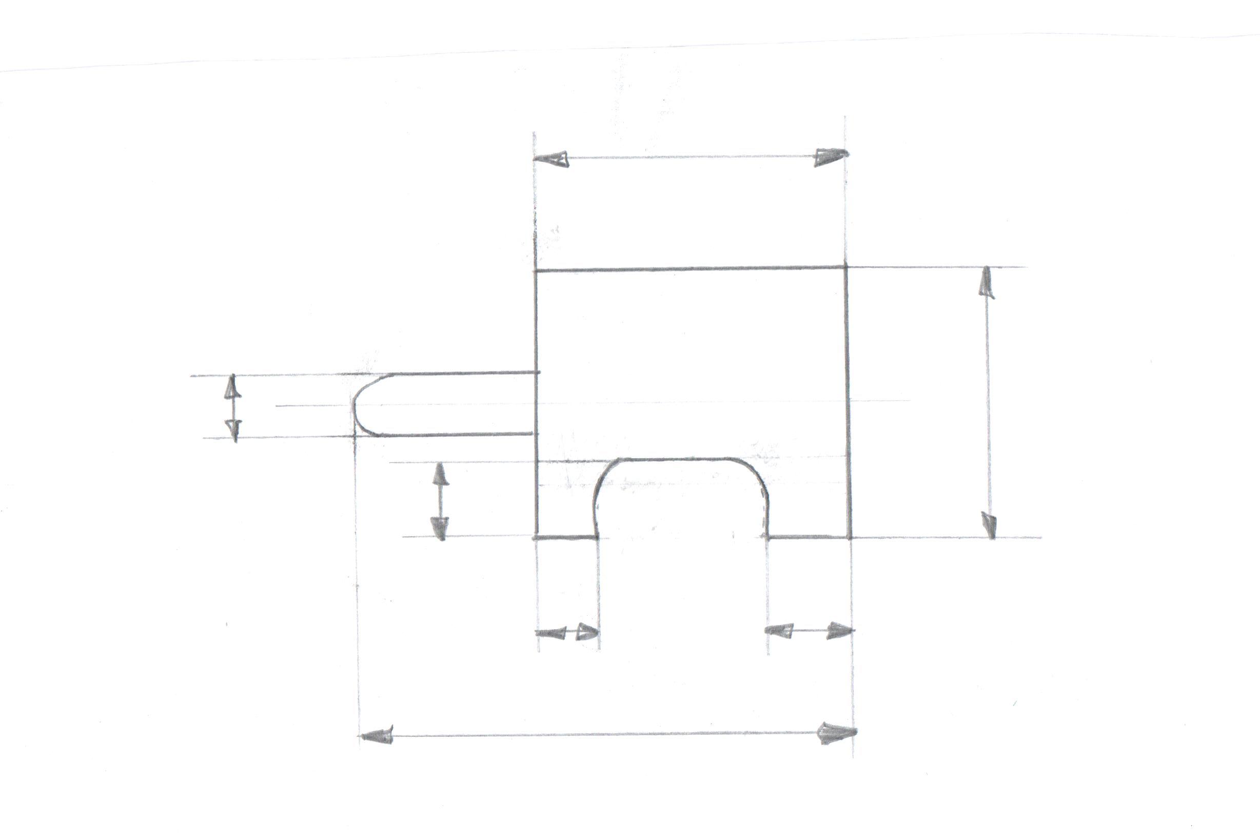
    Ширина и глубина канавки:
     

    Вложения:

  6. Mish@

    Mish@
    Михаил
    Новосибирск Ветеран

    Регистрация:
    29.05.11
    Сообщения:
    3.032
    Рейтинг:
    2.925
    Благодарности:
    1.407
    Адрес:
    Новосибирск
    Оружие:
    Beretta 686 SP1 (12/76)
    То же подумываю о покупке этого ружья. Только вот не решил, либо это будет штучный экземпляр, с прицельной вентилируемой планкой и эжектором изготовленный на заказ, либо самый простой в пластике. Как считаете?
     
  7. фаустита

    фаустита
    Ветеран

    Регистрация:
    25.06.09
    Сообщения:
    7.880
    Рейтинг:
    5.679
    Благодарности:
    1.655
    кто то проголосует за первый вариант,а кто за второй,а тебе оставят третий-голову ломать...денег не жалко,возьми под себя,а напряжно-отдал 5 тыр.и Вася не чешись...
     
  8. Вовка

    Вовка
    Гость

    я взял самый простой в пластике! С планкой и в дереве уже тяжелее, почти как двудулка, да и болячки ствола те же что и на МР153
    хотя выглядит и на вскидку она на первый взгляд лучше (привычней) эжектор мне нафиг не нужен! Нужна скорострельность, есть П/А
    Я покупал ружье для души, отдыха, неторопливых охот :smoke: в любом случае я выбор сделал и доволен как слон :super: :D
     
  9. медник

    медник
    Владимир
    Новокузнецк Модератор Команда форума

    Регистрация:
    26.04.10
    Сообщения:
    1.427
    Рейтинг:
    1.043
    Благодарности:
    320
    Адрес:
    Новокузнецк
    Собаки:
    ЗСЛ
    Оружие:
    МР-27М (12/76); МР-18 (20/76 + 7,62/54); Beretta 686; СКС
    Я покупал мр-18 для прогулок за рябчиком. Единственный минус- гильзу подзакусывает, эжектор не выбрасывает. Пришел к выводу после осмотра гильз, что в месте перехода патронника в посадочное под закраину гильзы имеется черезмерный выступ металла. При выстреле он впивается в металл гильзы. Надфилем поработал, На открытии стрельну, проверю.
     
  10. Андрон

    Андрон
    Андрей
    Россия, Новосибирск Ветеран

    Регистрация:
    01.11.07
    Сообщения:
    1.309
    Рейтинг:
    436
    Благодарности:
    202
    Адрес:
    Россия, Новосибирск
    Собаки:
    .....
    Оружие:
    Гладкошершавое
    Теперь Саня38 куда-то пропал,, отпишись размеры совпали или нет ??? Если совпали,, боек и пружину вышлю.
     
  11. al-rad

    al-rad
    александр
    омск, подмоск))) Ветеран

    Регистрация:
    16.02.11
    Сообщения:
    1.766
    Рейтинг:
    2.142
    Благодарности:
    764
    Адрес:
    омск, подмоск)))
    Собаки:
    такса ст.гш.-кобель
    Оружие:
    ТОЗ-25, ТОЗ-106,Лось-1(9.3х54R), СВД
    Мне тоже в личку не писал-знать так надо, ну или поважнее дела есть. Спрашивал сег оружейника-все одинаково грит.
     
  12. Mish@

    Mish@
    Михаил
    Новосибирск Ветеран

    Регистрация:
    29.05.11
    Сообщения:
    3.032
    Рейтинг:
    2.925
    Благодарности:
    1.407
    Адрес:
    Новосибирск
    Оружие:
    Beretta 686 SP1 (12/76)
    Ну скорее всего я определился. Ружьё будет 12 калибра в самой дешманской комплектации (без эжекторов, в пластике, без прицельной планки дульное сужение фиксированный получок) для обдирания по лесным кустам-говнам. Ружьё беру для ходовых охот.
     
  13. Вовка

    Вовка
    Гость

    все правильно, думаю не пожалеешь! :good:
     
  14. медник

    медник
    Владимир
    Новокузнецк Модератор Команда форума

    Регистрация:
    26.04.10
    Сообщения:
    1.427
    Рейтинг:
    1.043
    Благодарности:
    320
    Адрес:
    Новокузнецк
    Собаки:
    ЗСЛ
    Оружие:
    МР-27М (12/76); МР-18 (20/76 + 7,62/54); Beretta 686; СКС
    Эт точно! :super: :good:
     
  15. Саня38

    Саня38
    Александр
    Иркутск Активист

    Регистрация:
    14.11.11
    Сообщения:
    206
    Рейтинг:
    4
    Благодарности:
    2
    Адрес:
    Иркутск
    Собаки:
    нет
    Оружие:
    Есть
    Спасибо парни за заботу, работа мать ее, размеры одинаковы. Андрон если не затруднит буду благодарен за боек с пружиной.
     
  16. Андрон

    Андрон
    Андрей
    Россия, Новосибирск Ветеран

    Регистрация:
    01.11.07
    Сообщения:
    1.309
    Рейтинг:
    436
    Благодарности:
    202
    Адрес:
    Россия, Новосибирск
    Собаки:
    .....
    Оружие:
    Гладкошершавое
    Пиши адрес в личку !!! :beer:
     
  17. Андрон

    Андрон
    Андрей
    Россия, Новосибирск Ветеран

    Регистрация:
    01.11.07
    Сообщения:
    1.309
    Рейтинг:
    436
    Благодарности:
    202
    Адрес:
    Россия, Новосибирск
    Собаки:
    .....
    Оружие:
    Гладкошершавое
    Привет Камрад !! Боек с пружиной отправил.. заказным, ускоренным. Жди уведомления.
    Можешь на сайте почты отследить
    http://www.russianpost.ru/resp_engine.aspx?Path=rp/servise/ru/home/postuslug/trackingpo
     

    Вложения:

    • SANY0089_hf.jpg
      SANY0089_hf.jpg
      Размер файла:
      252,7 КБ
      Просмотров:
      874
    Саня38 нравится это.
  18. Bellycat

    Bellycat
    Иван
    Новосибирск Новичок

    Регистрация:
    19.09.12
    Сообщения:
    23
    Рейтинг:
    6
    Благодарности:
    3
    Адрес:
    Новосибирск
    Оружие:
    МР-18М, МР-512
    Взял себе МР 18М, пластик, полный чок, без эжектора (только экстрактор). Курил форумы - все пишут что новых без насадок нет ничего кроме фулчока. Типа завод в лучших "советских" традициях отвечает что это "по просьбам трудящихся", типа другие спросом не пользуются.
    19-10-2012: вчера решил его внимательно осмотреть - в экстракторе черти что было. Сложилось впечатление что масло в смеси со ржавчиной - при отделенном стволе подвигал экстрактор туда-обратно руками - из него прямо паста какая-то коричневая по щелям лезет... Промыл смазкой XADO ружейной (я так понял что это типа WD-40, только с ружейной спецификой несколько)... Воронение на стволе вызывает серьезные сомнения в его долговечности...
     
  19. Dimych

    Dimych
    Валерий
    Новосибирск Активист

    Регистрация:
    12.08.11
    Сообщения:
    161
    Рейтинг:
    45
    Благодарности:
    20
    Адрес:
    Новосибирск
    Оружие:
    разное
    Новое ружье когда покупаешь так и так нужно заводскую смазку удалять т.к с завода ружье смазывают с расчетом на длительное хранение, перед эксплуатацией нужно всю эту хрень удалить и смазать оружие нормальной смазкой.
    А качество воронения на сегодняшний день действительно оставляет желать лучшего, под хорошим дождиком побываешь увидишь выдержит воронение или нет)))
     
  20. Вовка

    Вовка
    Гость

    я свое перед охотой протираю тряпочкой пропитаной машиным маслом лукойл 5w40 и после охоты, сначало сухой насухо, потом пропиткой и все гут :good:
     
Наверх
;