Войти
Вход на сайт
Вход через социальную сеть

Охота на бобра (делимся опытом, учимся, задаем вопросы)

Тема в разделе "Охота", создана пользователем DP, 29 июн 2009.

  1. Pavel56

    Pavel56
    Павел
    УРАЛЬСКИЕ ГОРЫ Сот тел 89128489093 Ветеран

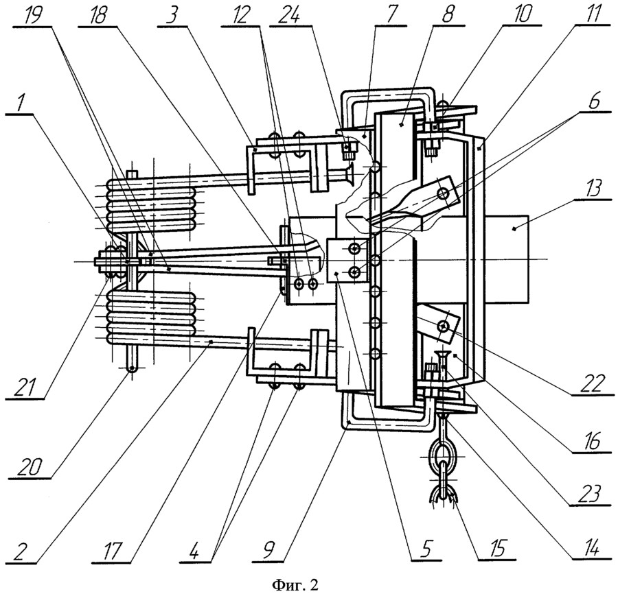
    Регистрация:
    31.12.14
    Сообщения:
    1.260
    Рейтинг:
    6.306
    Благодарности:
    3.153
    Адрес:
    УРАЛЬСКИЕ ГОРЫ Сот тел 89128489093
    Оружие:
    ИЖ58
    Хорошо,спасибо) Напишу,конечно,самому интересно.Это не первый капкан,который я собрал.Но все что делал,отлично держат зверя.
     
  2. Maxim_56

    Maxim_56
    Михаил Анатольевич
    Кузбасс Ветеран

    Регистрация:
    14.02.17
    Сообщения:
    657
    Рейтинг:
    584
    Благодарности:
    283
    Адрес:
    Кузбасс
    Собаки:
    Бим,дворОвый пёсик,родословная-сборная всех улиц!
    Оружие:
    нет
    Отличное решение!!!
     
  3. Пашинец

    Пашинец
    сергей
    новосибирск Модератор Команда форума

    Регистрация:
    22.02.10
    Сообщения:
    13.941
    Рейтинг:
    12.162
    Благодарности:
    5.303
    Адрес:
    новосибирск
    Собаки:
    РЕЛ
    Оружие:
    тоз -63 иж 27м
    Прикольный такой ! Пиндосы что подобное продаю ,видел в нете .
     
  4. ДМБ2011

    ДМБ2011
    Сергей
    г.Новосибирск Ветеран

    Регистрация:
    07.03.11
    Сообщения:
    6.338
    Рейтинг:
    7.051
    Благодарности:
    3.281
    Адрес:
    г.Новосибирск
    Собаки:
    РОС
    Оружие:
    Разное
    Вопрос дилетанта - если Вы сами делаете капкашки, о почему бы не сделать "язычок" на всю ширину разведенных дуг, ведь "уловистось" должна повыситься же ведь? %)<:-(
     
  5. Pavel56

    Pavel56
    Павел
    УРАЛЬСКИЕ ГОРЫ Сот тел 89128489093 Ветеран

    Регистрация:
    31.12.14
    Сообщения:
    1.260
    Рейтинг:
    6.306
    Благодарности:
    3.153
    Адрес:
    УРАЛЬСКИЕ ГОРЫ Сот тел 89128489093
    Оружие:
    ИЖ58
    Так называемый вами язычок,сделан и так на всю возможную ширину и длину,все расчитанно.Он срабатывает даже если стронуть его по горизонтали. В рамку,которая клинит дуги,вставил эксцентриковые втулки,при срабатывание,капкана,они зажимают дуги очень крепко. Следующий,подобный капкан,попробую сделать с симочной насторожкой,на размер больше.У этого размер дуг,в взведенном положении 160 на 170 мм. Капкан при срабатывание,даже подпрыгивает.)Я делал этот капкан по фотографии..Вот человек изобрел этот капкан http://baikal-info.ru/sm/2004/35/007001.html
     

    Вложения:

    • 3251934.jpg
      3251934.jpg
      Размер файла:
      83,5 КБ
      Просмотров:
      1.090
    Последнее редактирование: 3 янв 2018
  6. ДМБ2011

    ДМБ2011
    Сергей
    г.Новосибирск Ветеран

    Регистрация:
    07.03.11
    Сообщения:
    6.338
    Рейтинг:
    7.051
    Благодарности:
    3.281
    Адрес:
    г.Новосибирск
    Собаки:
    РОС
    Оружие:
    Разное
    Извините, но ведь я же написал этот пост как ДИЛЕТАНТ, вот только вопрос - а "ногозахваты" нынче не запрещены ли, случайно? <:-(:-\
     
  7. Pavel56

    Pavel56
    Павел
    УРАЛЬСКИЕ ГОРЫ Сот тел 89128489093 Ветеран

    Регистрация:
    31.12.14
    Сообщения:
    1.260
    Рейтинг:
    6.306
    Благодарности:
    3.153
    Адрес:
    УРАЛЬСКИЕ ГОРЫ Сот тел 89128489093
    Оружие:
    ИЖ58
    В последнее время,слишком много запретов,стало.Но как говорят,строгость законов в России,компенсируется,не обязательным их исполнением) И в частных хозяйствах ,привыкаем охотиться,как партизаны...Если так и дальше пойдет,вообще легальные стволы продам,но охотиться не перестану)
     
    Последнее редактирование: 3 янв 2018
    PIRK, RSSib и eis69 нравится это.
  8. Maxim_56

    Maxim_56
    Михаил Анатольевич
    Кузбасс Ветеран

    Регистрация:
    14.02.17
    Сообщения:
    657
    Рейтинг:
    584
    Благодарности:
    283
    Адрес:
    Кузбасс
    Собаки:
    Бим,дворОвый пёсик,родословная-сборная всех улиц!
    Оружие:
    нет
    .уже давно так сделал и нисколько не жалею!!!Только я не продал стволы,а почему-то они "утонули" и все дела!
     
    Последнее редактирование: 3 янв 2018
  9. qwert-2112

    qwert-2112
    Александр
    Ветеран

    Регистрация:
    05.07.11
    Сообщения:
    609
    Рейтинг:
    512
    Благодарности:
    256
    Собаки:
    и сам могу
    Оружие:
    оставил МЦ 21-12 и сайга 308(45-го исп.)
    Паша, Миша.....я думаю, тут людины не с Франции.
    понятное дело. и у кого что за печкой имеется.
    плодить прения об этом?....
     
  10. Pavel56

    Pavel56
    Павел
    УРАЛЬСКИЕ ГОРЫ Сот тел 89128489093 Ветеран

    Регистрация:
    31.12.14
    Сообщения:
    1.260
    Рейтинг:
    6.306
    Благодарности:
    3.153
    Адрес:
    УРАЛЬСКИЕ ГОРЫ Сот тел 89128489093
    Оружие:
    ИЖ58
    Александр,но печкой мы уже поняли у кого) Может кому пригодятся рисунки.
     

    Вложения:

    • 2400979.jpg
      2400979.jpg
      Размер файла:
      130,8 КБ
      Просмотров:
      1.032
    • 2400979-2.jpg
      2400979-2.jpg
      Размер файла:
      140,4 КБ
      Просмотров:
      744
    • 2400979-3.jpg
      2400979-3.jpg
      Размер файла:
      87,2 КБ
      Просмотров:
      984
    sumin51 нравится это.
  11. ЧСМ

    ЧСМ
    Сергей
    Томская обл. Бывалый

    Регистрация:
    08.02.16
    Сообщения:
    449
    Рейтинг:
    495
    Благодарности:
    247
    Адрес:
    Томская обл.
    Оружие:
    Hatsan ESCORT
    Походу, проще будет у тебя купить.
     
  12. qwert-2112

    qwert-2112
    Александр
    Ветеран

    Регистрация:
    05.07.11
    Сообщения:
    609
    Рейтинг:
    512
    Благодарности:
    256
    Собаки:
    и сам могу
    Оружие:
    оставил МЦ 21-12 и сайга 308(45-го исп.)
    относительный момент. вроде и так. а с другой стороны, при нахождении захватываемого по центру произойдет наиболее эффективное желаемое.
    капкашек заинересовал в свое время. то, что массивнее классики....эт по ситуации, но по итогу, на пользу. как и бОльшая крЕпость. на плюс и простота изготовления, взведения. также~возможность использовать пружины от сх/техники(чессказать- и не назову, именно с чего, но стоят подобные и именно с короткими плечами).
    неприятное~пружины зависимы и в постоянном напряжении.
    некое настораживающее~не будет ли подбрасывающего действия скобой?(склонен думать, что так.) в общем....опробывать нуно.
     
  13. sumin51

    sumin51
    Евгений
    N-ск Бывалый

    Регистрация:
    03.01.11
    Сообщения:
    464
    Рейтинг:
    314
    Благодарности:
    157
    Адрес:
    N-ск
    Собаки:
    разные
    Оружие:
    разное
    Конечно пригодится, только добавить надо расшифровку № деталей (названия).
     
  14. sumin51

    sumin51
    Евгений
    N-ск Бывалый

    Регистрация:
    03.01.11
    Сообщения:
    464
    Рейтинг:
    314
    Благодарности:
    157
    Адрес:
    N-ск
    Собаки:
    разные
    Оружие:
    разное
    Так разве это плохо? Наоборот "плюс".
     
  15. Пашинец

    Пашинец
    сергей
    новосибирск Модератор Команда форума

    Регистрация:
    22.02.10
    Сообщения:
    13.941
    Рейтинг:
    12.162
    Благодарности:
    5.303
    Адрес:
    новосибирск
    Собаки:
    РЕЛ
    Оружие:
    тоз -63 иж 27м
    Есть даже прыгающие капканы .
     
  16. Pavel56

    Pavel56
    Павел
    УРАЛЬСКИЕ ГОРЫ Сот тел 89128489093 Ветеран

    Регистрация:
    31.12.14
    Сообщения:
    1.260
    Рейтинг:
    6.306
    Благодарности:
    3.153
    Адрес:
    УРАЛЬСКИЕ ГОРЫ Сот тел 89128489093
    Оружие:
    ИЖ58
    Александр,это пружины от подборщика.Их много разных.Капкан получился очень крепким.Дуги из полосы 5 мм.По поводу того что пружина в постоянном напряжении, не чего страшного для проволочной не будет.Опасения,что скобой будет подбрасывать лапу,тоже напрасны ,она скользит по краю изгиба дуги .Когда сделал капкан,еще не было насторожки,развел дуги и отпустил,капкан подпрыгнул сильно,.Евгений,это рисунки из патента на этот капкан.В инете все есть.
     
  17. Пашинец

    Пашинец
    сергей
    новосибирск Модератор Команда форума

    Регистрация:
    22.02.10
    Сообщения:
    13.941
    Рейтинг:
    12.162
    Благодарности:
    5.303
    Адрес:
    новосибирск
    Собаки:
    РЕЛ
    Оружие:
    тоз -63 иж 27м
    Да хороший получился капкан ! Осталось его опробовать ,время ещё есть !
     
  18. Pavel56

    Pavel56
    Павел
    УРАЛЬСКИЕ ГОРЫ Сот тел 89128489093 Ветеран

    Регистрация:
    31.12.14
    Сообщения:
    1.260
    Рейтинг:
    6.306
    Благодарности:
    3.153
    Адрес:
    УРАЛЬСКИЕ ГОРЫ Сот тел 89128489093
    Оружие:
    ИЖ58
    @Пашинец, так то хороший,капкан,но нужно конечно проверить его в деле,может он только на волков предназначен)
     
  19. Пашинец

    Пашинец
    сергей
    новосибирск Модератор Команда форума

    Регистрация:
    22.02.10
    Сообщения:
    13.941
    Рейтинг:
    12.162
    Благодарности:
    5.303
    Адрес:
    новосибирск
    Собаки:
    РЕЛ
    Оружие:
    тоз -63 иж 27м
    Волчьи тоже хороши на бобра ! Да если по чесноку ,то в большинстан случаев ногохахват на бобра предпочтительне .
     
  20. Pavel56

    Pavel56
    Павел
    УРАЛЬСКИЕ ГОРЫ Сот тел 89128489093 Ветеран

    Регистрация:
    31.12.14
    Сообщения:
    1.260
    Рейтинг:
    6.306
    Благодарности:
    3.153
    Адрес:
    УРАЛЬСКИЕ ГОРЫ Сот тел 89128489093
    Оружие:
    ИЖ58
    @Пашинец, согласен.Но заводские капканы,меня часто подводили.Поэтому перешел на самодельные...)
     

    Вложения:

Наверх
;